在空調整機上,常用到遙控接收電路接收遙控信號,下面根據常用遙控接收電路介紹其工作原理及注意事項。
空調遙控接收頭工作原理簡介
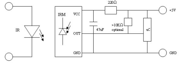
遙控紅外線接收頭IRM-56384內部含光敏元件,通過接收窗口接收某一頻率范圍的紅外線。當光敏元件接收到相應頻率的紅外線,產生電流,經I-V電路轉換為電壓,濾波后,經比較器輸出脈沖電壓,再經內部三極管電平轉換,輸出脈沖信號送主芯片處理。
遙控接收頭對光信號的敏感區由于開窗位置不同有所不同,且不同角度和距離其接收效果也有所不同,一般來講,光源與遙控接收頭接收面角度越接近直角,接收效果越好。
各元器件作用及注意事項
遙控接收頭IRM-56384實現光電轉換,將確定波長的光信號轉換為可檢測的電信號,因此又叫光電轉換器;美的目前選用VISHY(德律風根)HS0038A2兩種規格,對應的發射管(遙控器)發射波長一般要求為If=20mA,峰值波長940nm。由于接收頭接受的是紅外光波,因此其周圍的光源、熱源,節能燈、日光燈及發射相近頻率的電視機遙控器等都有可能干擾空調器的正常工作。
限流電阻R19限制輸入遙控接收頭的電流;
電解電容E7穩定遙控接收頭輸入電壓;
瓷片電容C11濾除電源高頻干擾;
R20和C10組成濾波電路,對輸入芯片信號進行濾波。
該電路最容易出問題的是C10、C11電容和IRM-56384接收頭,原因是受潮后產生微短路,導致接收失靈。解決辦法很簡單-吹干或換板。
空調遙控接收頭應用電路圖
空調遙控接收頭如何檢測及更換
同型號的怎么拆怎么接,其他的拆機件或通用型就要測量區分腳位了。
用指針式萬用表(數字表不適用)電阻擋R*100),先測量確定接地腳,一般接地腳與屏蔽外殼是相通的,余下的兩只腳假設為a和b,然后用黑表筆搭接地腳,用紅表筆去測a或b腳的阻值,讀數分別約為6kΩ和8kΩ(有的接收頭相差在1kΩ左右);調換表筆,紅表筆接地,黑表筆測a和b腳,讀數分別約為20kΩ和40kΩ。
兩次測量阻值相對應都小的a腳即為電源腳,阻值大的b腳即為信號輸出腳。不過用不同的萬用表和測不同型號的接收頭,所測得的電阻都各不相同。但總的結論是:電源腳對地的電阻值不管正反向都要比信號腳對地的電阻值小。頭完好無損,能正常工作。
如需IRM-56384的樣品測試、規格書資料、應用技術咨詢等,歡迎致電東裕光大!