爬電距離是沿絕緣表面測得的兩個導電零部件之間或導電零部件與設備防護界面之間的最短路徑。CQC、UL、CSA和VDE安全標準強調了爬電距離的安全要求,這是為了防止器件間或器件和地之間打火從而威脅到人身安全。
光耦的爬電距離,一般有內部爬電距離和外部爬電距離之分。
1. 光耦內部爬電距離,是由光耦外殼內部絕緣體邊沿最短間距決定。
2. 光耦外部爬電距離,是由光耦外殼外邊沿最短間距決定,電極引腳的電氣間隙大時,略可提升其外部爬電距離。
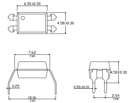
一般來說,億光光耦EL817的外部爬電距離為>7.6mm,而長爬電距離就是指>8.0mm;億光帶M后綴的光耦,就是將發射和接收電極引腳的間距拉開,一般的光耦發射&輸出兩排電極引腳的間距>7.62mm,M后綴的光耦的發射&輸出兩排電極引腳的間距為Typ:10.16mm,即EL817M光耦的爬電距離就是指>8.0mm,以下是VDE認證的資料:
億光其余光耦的爬電距離,按CQC認證資料,有如下圖示多樣規格光耦的外部爬電距離大于8.0mm。
億光其余光耦的爬電距離,按CQC認證資料,有如下圖示多樣規格光耦的外部爬電距離大于8.0mm。
在選擇億光光耦時,如有爬電距離要求大于8.0mm,建議可參考以上選擇